工业自动化

变频器中的IGBT模块可实现高效的功率控制、平稳的电机调速和高性能开关,从而在工业电机驱动器中实现节能。

工业控制自动化解决方案

焊接设备
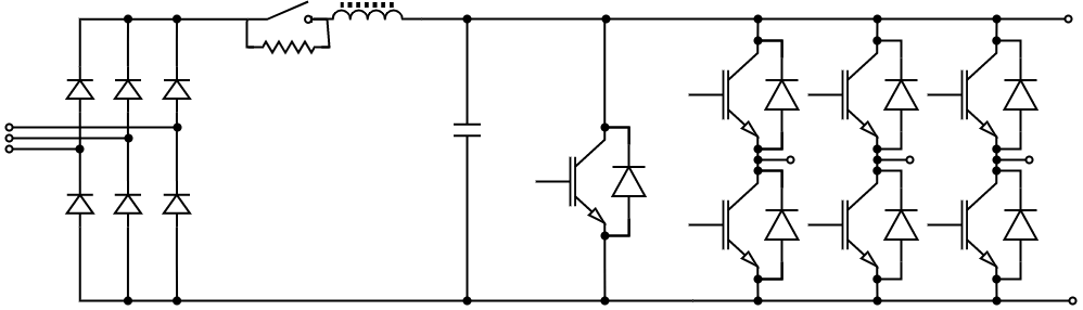
中高压变频器的应用方案
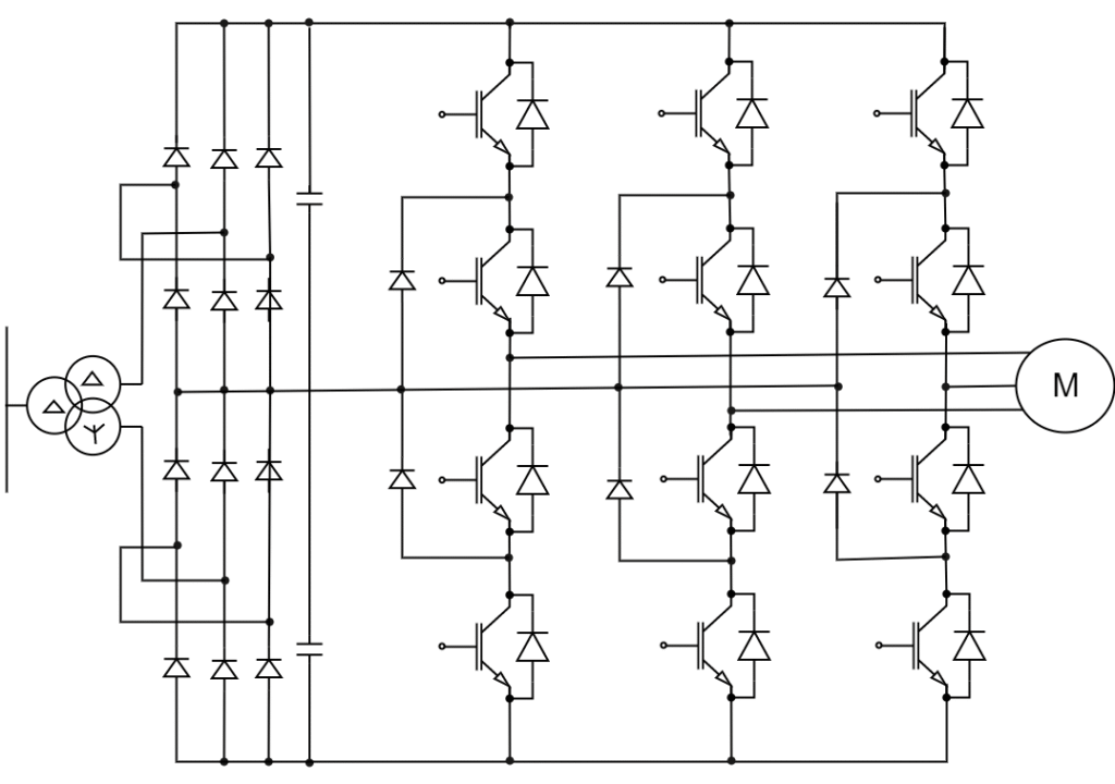
中高压变频器的应用方案

扫描-添加好友

微信 / WeChat

扫描-添加好友

微信 / WeChat

Scan to chat now

WhatsApp